Описание
Панель управления за только терминалами, весом около 70 г, ультратонкая, сверхмалая.
Сопротивление изоляции высокое, как генератор импульсов, источник больше всего подходит для модификации станка,
Особенно подходит для миниатюризации дизайна панели управления.
Металлический корпус по желанию.
Может заменить внутренний тесный контроль серии UFO.
Electrical characteristics
| Тип выхода | 1 | 2 | 3 |
|---|---|---|---|
| Напряжение питания постоянного тока (В) | 5 ~ 15 В (ниже 1% переменного тока) | 10 ~ 304 В (ниже 1% переменного тока) | 5 В ± 0.25 |
| Потребление тока (мА) | напряжение | напряжение | напряжение |
| Выходное напряжение (В) Vm | ≦ 60 | ≦ 80 | ≦ 120 |
| Выходное напряжение (В) Vt | ≧ Vcc-1 | ≧ Vcc-1 | ≧ 2.5 |
| Время нарастания (NS) | ≦ 0.5 | ≦ 0.5 | ≦ 0.5 |
| Время падения (NS) | ≦ 10 | ≦ 1 | ≦ 0.1 |
| Частотная характеристика (кГц) | ≦ 5 | ≦ 5 | ≦ 5 |
SПечificatион
| Импульс на оборот | 25 100 |
|---|---|
| Производительность кода | 001 002 003 |
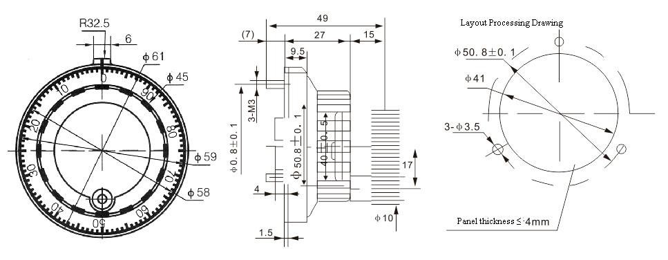
Dimension: (mm)

Гарантии
Раздел в разработке.
Похожие товары
Вы смотрели